Moovo PPD1520.4540 vřeteno nouzového odblokování zámku pohonu Moovo XW432 / XW532, set 2ks
Kód: 2X.N.D.PPD1520.4540
JSME ODBORNÍCI
Pohony bran montujeme od roku 1997 – máme bohaté zkušenosti.

SLOVENSKO
Tovar zasielame aj na Slovensko.
Související produkty
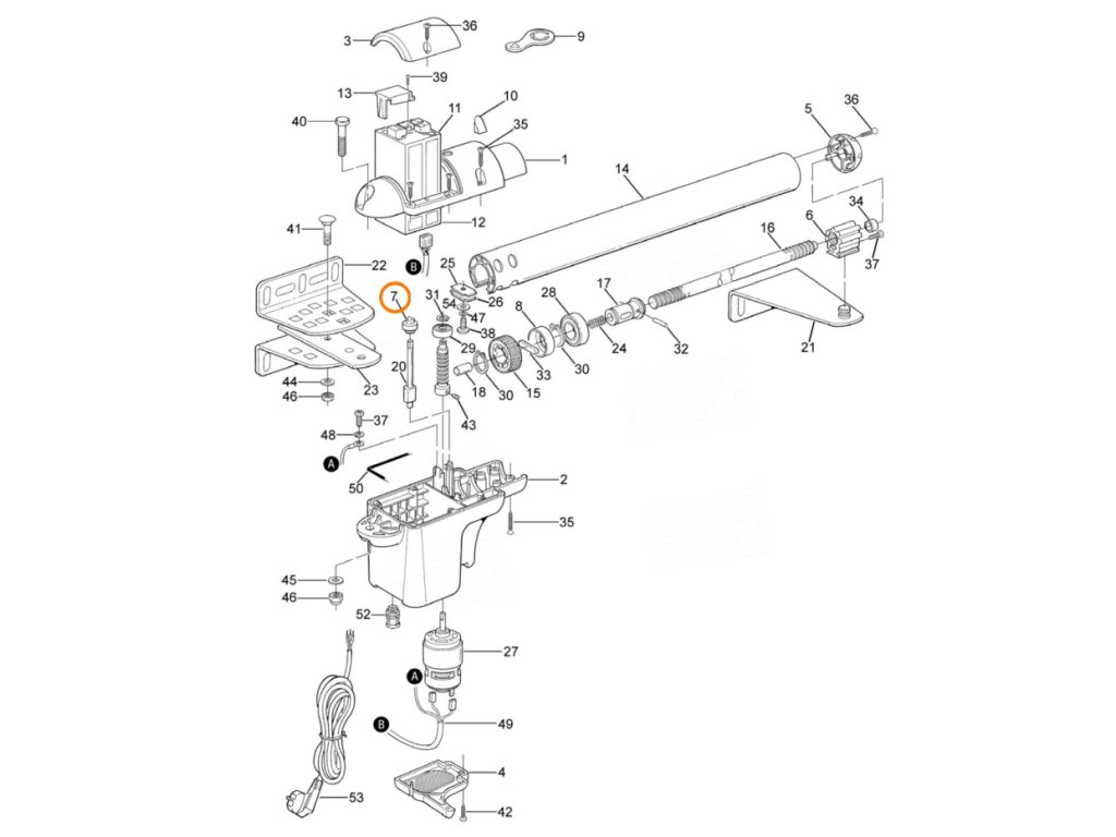
Detailní popis produktu
Moovo PPD1520.4540 je náhradní díl, vřeteno nouzového odblokování zámku pohonů Moovo XW432 / XW532. V balení 2ks.
Moovo XW432



Maschio chiave battente
Moovo XW532

Maschio chiave battente
#001
#004
#005
Doplňkové parametry
| Kategorie: | Náhradní díly pro pohony bran a vrat |
|---|---|
| Záruka: | 24 měsíců |
| Značka: | Moovo |
| Produkt: | Odblokování pohonů, Vřetena pro odblokování |
| Katalogové číslo: | 331548 |
Hodnocení produktu
Buďte první, kdo napíše příspěvek k této položce.
Diskuze
Buďte první, kdo napíše příspěvek k této položce.


